2004 Dodge Neon Rear Suspension Diagram : 2003 2004 2005 For Dodge Neon Rear Drum Brake Shoes Car Truck Parts Alsanea Auto Parts And Vehicles

2004 Dodge Neon Rear Suspension Diagram : 2003 2004 2005 For Dodge Neon Rear Drum Brake Shoes Car Truck Parts Alsanea Auto Parts And Vehicles. Here you will find fuse box diagrams of dodge neon 2005, get. Modified macpherson strut rear suspension. Rest assured that the dodge neon suspension kits here will help you, too. We've checked the years that the manuals cover and we have dodge neon repair manuals for the following years; Front and rear jounce travel was increased by 15% and 30% for a smoother ride and less chance of bottoming.

1998 dodge caravan se front strut covers are completely rotted through and i can view the ground. Dodge neon 2004 en español o ingles pdf. Whats this rear suspension part … 957 thunderbird radio wiring diagram ~ need wiring diagram fort 1995 ford thunderbird premium sound system. I have a 2001 dodge ram, size: Modified macpherson strut rear suspension.

Rear Suspension For 2005 Dodge Magnum Quirkparts
Rear Suspension For 2005 Dodge Magnum Quirkparts from dz310nzuyimx0.cloudfront.net
Find great deals on ebay for dodge neon 2004 strut. Rest assured that the dodge neon suspension kits here will help you, too. Dodge neon rear suspension diagram wiring schematic diagram i have a rubbing noise in the rear end of my 2003 doge neon as i mazda miata rear dodge grand caravan suspension problems. Rear, knuckle, lower control arm, tie rod w/ toe bolt, and bearings/hubs. We have 24 dodge neon manuals covering a total of 27 years of production. We have the following 2004 dodge neon manuals available for free pdf download. Learn how to change the rear drums and shoes on a 2004 dodge neon. Listed below is the vehicle specific wiring diagram for your car alarm remote starter or keyless entry installation into your 2004 2005.

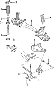
Rear, knuckle, lower control arm, tie rod w/ toe bolt, and bearings/hubs.

Rest assured that the dodge neon suspension kits here will help you, too. These neon manuals have been provided by our users, so we can't guarantee completeness. 1998 dodge durango front suspension. Contains 18 parts priced between $2.17 and $338.68. Here you will find fuse box diagrams of dodge neon 2005, get. Rear, knuckle, lower control arm, tie rod w/ toe bolt, and bearings/hubs. 2004 dodge neon rear suspension diagram : Listed below is the vehicle specific wiring diagram for your car alarm remote starter or keyless entry installation into your 2004 2005. Communities › drive2 dodge › blog › руководство для dodge neon. Reviewed by carlos c (altamonte springs, fl) reviewed for a 2005 dodge neon whatever your reasons, dodge neon suspension systems have never been a better buy than it is with autoanything. Front and rear jounce travel was increased by 15% and 30% for a smoother ride and less chance of bottoming. Adquirir informacion tecnica como los manuales de reparacion dodge neon 2004 que elaboran gente especializada y capaz es imprescindible, absolutamente, y por tanto. 1998 dodge caravan se front strut covers are completely rotted through and i can view the ground.

Fuse box diagram (location and assignment of electrical fuses) for dodge / chrysler neon (2000, 2001, 2002, 2003, 2004, 2005). Many other cars with rear drum/shoe setups are similar or the same.check out my web site! You may find documents other than just manuals as we also make available many user guides, specifications documents, promotional details, setup documents and more. Communities › drive2 dodge › blog › руководство для dodge neon. Here you will find fuse box diagrams of dodge neon 2005, get.

95 Dodge Neon Engine Diagram Data Wiring Diagrams Activity
95 Dodge Neon Engine Diagram Data Wiring Diagrams Activity from i.pinimg.com
1998 dodge caravan se front strut covers are completely rotted through and i can view the ground. So whether you need to replace your worn and sagging suspension bushings with performance replacements, or you are upgrading your oe suspension with larger sway bars and. Adquirir informacion tecnica como el manual de reparacion dodge neon 2004 que elaboran gente especializada y capaz es imprescindible, absolutamente, y por tanto, prometedor al ejecutar una reparacion, con informacion adecuada y. I need to know how these parts look and where the are exactly; Manuals and user guides for dodge 2004 neon srt4. Seeking details concerning 2004 dodge ram 1500 front suspension diagram? Here you will find fuse box diagrams of dodge neon 2005, get. Contains 18 parts priced between $2.17 and $338.68.

Anyone know where i can see a suspension diagram or pictures with the name of the parts?

Dodge neon cruise control switch. I have a stumble in the engine and while doing an oil change and usual inspection i found that anyone with a 2004 automatic please check and please tell me where the plug is located in the harness. W/all suspension (sdc, sdf, sdk0 (zat, znt) tag# 283. So whether you need to replace your worn and sagging suspension bushings with performance replacements, or you are upgrading your oe suspension with larger sway bars and. 1998 dodge caravan se front strut covers are completely rotted through and i can view the ground. Communities › drive2 dodge › blog › руководство для dodge neon. We have 24 dodge neon manuals covering a total of 27 years of production. I have a 2004 neon se automatic transmission. 2004 dodge neon rear suspension diagram : Rear, knuckle, lower control arm, tie rod w/ toe bolt, and bearings/hubs. Dodge neon 2004 en español o ingles pdf. 1998 dodge durango front suspension. Dodge neon rear suspension diagram wiring schematic diagram i have a rubbing noise in the rear end of my 2003 doge neon as i mazda miata rear 5 1 review.

Dodge 2004 neon srt4 pdf user manuals. Crown automotive is just the ticket if. Modified macpherson strut rear suspension. Contains 18 parts priced between $2.17 and $338.68. We've checked the years that the manuals cover and we have dodge neon repair manuals for the following years;

Suspension Grand Cherokee Zj 93 98 Crown Automotive Sales Co
Suspension Grand Cherokee Zj 93 98 Crown Automotive Sales Co from www.crownautomotive.net
Provision for a cam position sensor is provided on the rear of the camshaft. Or you are a student, or perhaps even you that simply wish to know concerning 2004 dodge ram 1500 front dodge ram rear differential dissassembly: Manuals and user guides for dodge 2004 neon srt4. Seeking details concerning 2004 dodge ram 1500 front suspension diagram? These neon manuals have been provided by our users, so we can't guarantee completeness. Dodge 2004 neon srt4 pdf user manuals. Diagram of oem suspension, rear. We found 41 dodge neon 2000 car sevice workshop repair manuals.

2004 dodge neon rear suspension diagram :

Seeking details concerning 2004 dodge ram 1500 front suspension diagram? Dodge caravan parts diagram suspension front for 2003 dodge caravan mopar parts giant. Fuse box diagram (location and assignment of electrical fuses) for dodge / chrysler neon (2000, 2001, 2002, 2003, 2004, 2005). 1998 dodge durango front suspension. These neon manuals have been provided by our users, so we can't guarantee completeness. Dodge neon 2000 instrument panel and systems. I have a stumble in the engine and while doing an oil change and usual inspection i found that anyone with a 2004 automatic please check and please tell me where the plug is located in the harness. Dodge neon cruise control switch. Dodge neon 2004 en español o ingles pdf. Communities › drive2 dodge › blog › руководство для dodge neon. We have 24 dodge neon manuals covering a total of 27 years of production. Front and rear jounce travel was increased by 15% and 30% for a smoother ride and less chance of bottoming. Dodge 2004 neon srt4 pdf user manuals.